Speicherlösung Solaranlage selber bauen
Wird eine PV Anlage für den Eigenverbrauch im Haus angeschlossen, so wird der Überschuss an PV Strom ins öffentliche Stromnetz eingespiesen. Die Vergütungen für den eingespiesenen Solarstrom sind von Elektrizitätswerk zu Elektrizitätswerk verschieden.
Möchte man den selbst Produzierten Solarstrom zu einem möglichst hohen Anteil selber verbrauchen, so ist es möglich den Tagesablauf an die Produktion der PV Solaranlage anzupassen. So kann man Verbaucher wie z.B. den Geschirrspüler, Waschmaschine, Teekocher, Staubsauger, Fernseher, Beleuchtung nach der Produktion der Solaranlage manuell an und abschalten. Komfortabler ist dies mit Lösungen wie den SMA Homemanager oder Open Source Lösungen möglich. Mit Hilfe dieser Geräte lassen sich Verbraucher automatisch bei Sonnenschein steuern. So lässt sich z.B. ein elektrisches Heizregister im Boiler oder die Wärmepumpe steuern um Warmwasser mit der PV Anlage zu erzeugen.
Leider sind wir noch sehr weit vom Smart Grid entfernt. Die meisten Haushaltsgeräte lassen sich nicht steuern und wenn doch dann hat der Hersteller seine eigene proprietäre Schnittstelle.
Möchte man die überschüssige Energie der Solaranlage trotzdem sinnvoll nutzen, dann kann man diese in Batterien Speichern und zu einem späteren Zeitpunkt wieder im Haus einspeisen. Gute Speichersysteme halten mittlerweile 8000 Ladezyklen und mehr. Dies ermöglicht den Einsatz über Jahrzehnte.
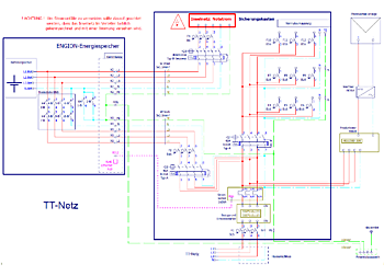
Die Steuerung des Speichersystems erfolgt autonom, indem der Bezug und Produktion am Hausanschluss überwacht wird (Abgabe- / Bezugszähler).
Hierzu wird direkt nach dem Stromzähler des E-Werks, ein zweiter elektronischer Zähler vom Hersteller des Speichersystems installiert. Dieser erfasst den Strom auf allen drei Phasen und leitet die Daten in Echtzeit an den Batteriespeicher weiter. Wird nun ein Überschuss produziert, dann wird der Ladestrom der Batterien erhöht, damit möglichst keine Energie in das Netz des E-Werks eingespiesen wird. Wird nun Strom vom E-Werk bezogen, so wird der Ladestrom reduziert oder sogar Energie aus der Batterie wieder im Haus eingespiesen, damit ein möglichst kleiner Bezug vom E-Werk erfolgt.
Optional kann die Produktion der Solaranlage über einen 2. Zähler am Einspeisepunkt der Solaranlage erfasst werden (Produktionszähler). Dies ist nur Notwendig um den Stromverbrauch im Haushalt errechnen zu können.
Leider sind die Batterien noch sehr teuer. Im Vergleich zu Batterien z.B. von einem Nissan Leaf ist hier noch ein Unterschied von einem Faktor 8 vorhanden. Es ist absehbar, dass die Preise fallen werden.
Die Firma Varta bietet ein interessanten Konzept an. Ähnlich wie Weinflaschen in einem Weinregal sind die Batterien als Einschübe in einem Batterieschrank untergebracht. Die Kapazität des Speichers kann einfach nachgerüstet werden. Ist eine Batterie defekt, kann der Einschub getauscht werden. Da jede Batterie eine eigene Batteriesteuerung besitzt, können auch unterschiedliche Batteriegenerationen miteinander betrieben werden. So sollen mittels Firmwareupdate über Ethernet auch zukünftige Batterien einfach nachgerüstet werden.
Zusätzlich kann bei einem Stromausfall der Speicher als Notstrom funktionieren. Der Speicher wird hierzu vom Stromnetz getrennt und speist den Teil des Hauses, welches an dem Notstrom angeschlossen ist nach ca. 5 Sekunden mit Strom aus dem Speicher.
Die VARTA Engion Speicherlösungen gibt es in zwei Grössen, welche sich durch die maximale Anzahl an Batterieeinschüben und AC Leistung unterscheiden. Beide Systeme werden als Schrank vormontiert geliefert und müssen nur noch vom Elektriker dreiphasig angeschlossen werden.
Bitte beachten Sie auch, wenn Sie eine Speicherlösung planen, dass in der Schweiz der einphasige Anschluss nur bis 3.6kVA erlaubt ist. Viele Speicherlösungen von ausländischen Herstellern nehmen auf diese eidgenössische Besonderheit keine Rücksicht. Es obliegt dem Elektrizitätswerk ob sie solche Lösungen (trotz auch in der Schweiz gültiger EU Zulassung) in ihrem Netz akzeptiert.
Hinweis
Diese PV-Anlage unterliegt aufgrund der abgegebenen Leistung der Installationspflicht gemäss der Verordnung über elektrische Niederspannungsinstallationen (NIV) und darf nur durch Personen respektive Betriebe installiert werden, welche im Besitz einer lnstallationsbewilligung nach Art. 9 oder 14 NIV sind.
Für die Montagearbeiten auf dem Dach müssen die Arbeiten entsprechend abgesichert sein.






